
●无触点继电器的特性:
1:无触点继电器内部全部采用贴片工艺生产,采用进口电子器件(无机械触点),增强了抗干扰性能,集成度高,体积小巧,结构紧凑,单片模块化,万能卡规安装,输入输出接线端子异侧排列,便于布线,拆装方便有利于减少控制箱的尺寸,降低成本。
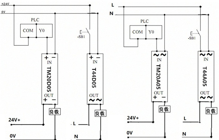
2:集成翼型散热片,完全树脂灌封,焊接在电路板上,耐振动,耐潮湿和灰尘。3:输入输出之间完全隔离,输出端损坏对plc无影响,输入端采用恒流源技术,计算机可以直接控制,电流恒定不随电压的改变而改变(10ma左右)控制端电压适应范围宽涵盖5v,12v,24v。
4:超长使用寿命(可达数年不坏),使设备维护变得省心.
5:响应速度快,最高可达1KHZ,响应速度为纳秒级(电磁式继电器响应速度为ms级),响应速度超过plc的速度,能准确执行plc的控制指令。提高设备的效率。
6:通态压降最小0.15vDC


