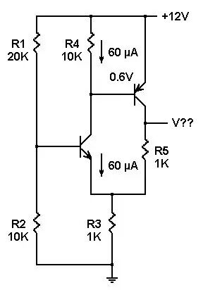
“除草机”电路图?这可不是设计除草机时所需的电路图。而是本文作者在面试新的电路设计人员时,用来判断应征者是否真的是能够分析模拟电路的工程师的“考题”,而透过这样的考题,即可从中剔除不适任的“杂草”… 这是一位面试官想到的“考题”,它会清除任何真正不善于处理模拟电路分析的人。具体如下:有两个晶体管(transistor),一个NPN和一个PNP,连接方式如图1所示。 图1 在这里简单介绍一下我预计会做出的假设,以及随后的分析。 一开始的假设是,此晶体管是硅(Si),并显示0.6伏特(V)基极至发射极电压,且两个晶体管的ß值非常高,使得基极电流几乎为零。 图2 对于NPN基本上为零的基极电流,R1和R2的电压在NPV的基础上将+12V导通电压分压为+4V。当Vbe为0.6V时,NPN发射极为+3.4V,在R3中流过的电流为3.4mA。 接下来的问题是,NPN发射器和R5如何共享3.4mA电流? 图3 PNP的Vbe为0.6V,如此使得R4中的电流为0.06mA或60μA。在PNP基极电流几乎为零的情况下,由于NPN的ß值非常高,60μA成为NPN的集电极(collector)电流,也变成NPN的发射极电流。 流过R5的电流必须是R3的3.4mA电流和NPN发射极的0.06mA电流之间的差值。该值为3.4-0.06=3.34mA。 图4 R5上的电压降为3.34V,当加到R3顶端的3.4V时,将R5和PNP集电极的顶端放在+ 6.74V。 是不是很容易呢?没错,这个电路是很容易。即便如此,这个电路帮我刷掉了许多不合格的职位候选人。



